Enhance your see-thru fireplace with RealFyre’s G45 See-Thru Triple T Burner, designed for impressive views from multiple angles. Compatible with RealFyre Fyre Gems or Fyre Glass, it creates stunning flames available for both Natural and Propane gas. Customize with a choice of over 20 glass types and colors. Perfect for adding a captivating visual centerpiece to any room, ensuring your decor and style preferences are perfectly matched.
RealFyre Vented Brochure
Features
- Up to 100,000 BTU
- Triple Burner set up to enhance flames
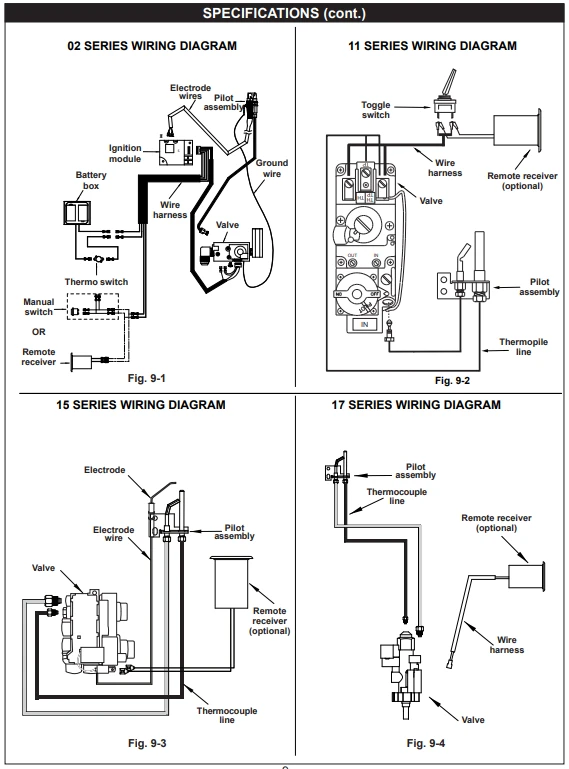
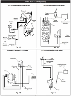
- Assembled ANSI certified Manual Valve and Safety Pilot
- Tempered glass-fire tested up to 1200 degrees
- Choose between radiant Fyre Glass and vibrant Fyre Gems


















































Reviews
There are no reviews yet.