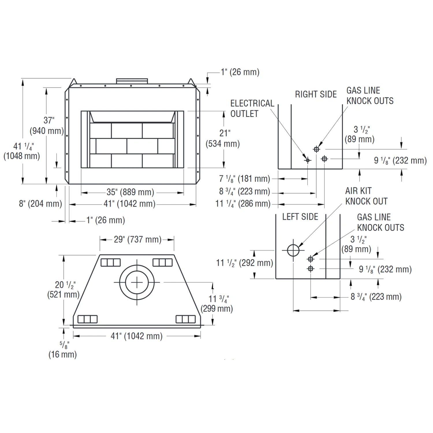
The WRE3036 outdoor fireplaces feature clean, single piece brushed stainless steel faces and stainless mesh spark screens. The screen tucks out of sight behind hidden side pockets to maximize the beauty of the fireplace. The WRE3036 features the industry’s finest refractory brick liners in Natural Gray, in stacked brick and herringbone.
Superior WRE3036 Brochure
Features
- See all available accessories here
- Radiant smooth-faced models
- Refractory panels in stacked and herringbone patterns
- Heavy duty stainless steel log grate
- Easy access damper control
- Stainless steel screens retract into hidden screen pockets
- Adjustable outside air damper
- Stainless steel construction for long lasting outdoor use
- Uses IHP 8 DM (1700º) double wall air cooled wood burning chimney
- Uses IHP 8 HT (2100º) heavy gauge double wall air cooled wood burning chimney recommended for cold climates (required for Canada)
- 20 year limited warranty




















Reviews
There are no reviews yet.